OEM機械導入における図面確認の重要性
新しい機械を導入する際、多くの企業は機械本体への投資に注目しがちですが、実際には設置前の準備と図面確認こそが、機械の性能を最大限に引き出し、長期的な安定稼働を実現するための重要なステップです。
IDEAでは、OEM設計の段階からレイアウト図・基礎設計図・スピンドル図の3種類の認証図面を提供し、導入前の不安や課題を事前に解消します。
レイアウト図|機械の配置と作業動線の最適化
レイアウト図は、単なる設置スペースの確認にとどまらず、作業効率・安全性・保守性・将来的な拡張性までを見据えた設計を行います。
特に、Lean生産方式(リーンマニュファクチャリング)を導入している現場では、以下のような改善が期待できます。
- 材料の配置とルートの最適化による移動時間の短縮
- 工程のグルーピングによる作業効率の向上
- 工具・部品の整理整頓によるミスの削減
- 将来的な機械増設やレイアウト変更への柔軟な対応
IDEAは、お客様の現場状況を丁寧にヒアリングし、最適なレイアウト図面をカスタマイズしてご提案いたします。

基礎設計図|安定した性能を支える土台
機械の性能を安定して発揮するためには、設置される基礎の設計が極めて重要です。基礎設計図は、現場の構造条件や機械仕様に応じて、以下の観点から最適化されます。
- 土壌の耐荷重・表面圧力の推定値を明記し、地盤の安全性を確保
- コンクリートの深さ・厚みを設計し、振動や沈下の影響を抑制
- アンカーの位置・固定方法を指定し、機械の据付精度を向上
- 必要に応じて地盤調査(ソイルテスト)の実施も支援
IDEAの設計チームは、現場の構造条件や機械仕様を踏まえ、長期的な安定稼働を支える基礎設計を行います。
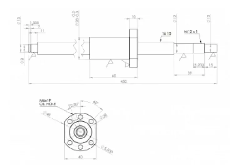
スピンドル図|ワーク保持具との適合性を事前確認
スピンドルの仕様は、使用するワーク保持具や治具との適合性に直結するため、導入前の確認が不可欠です。IDEAでは、以下の情報を明記したスピンドル図を提供し、トラブルの未然防止とスムーズな立ち上げを支援します。
- シリンダーの外径・長さ
- ドローチューブの内径・ねじサイズ
- スピンドルノーズの形状・寸法
- 使用予定のチャックや治具との互換性確認
- ワークサイズに応じた最大素材径の検証
これにより、保持具の選定ミスや干渉リスクを回避し、導入後の調整工数を大幅に削減できます。

OEM設計から導入まで、IDEAが全面サポート
機械導入の成功は、図面確認から始まります。IDEAは、OEM機械導入に必要な図面確認(レイアウト・基礎設計・スピンドル)を通じて、安定稼働と生産性向上を支援します。
OEM機械の導入をご検討中の企業様は、ぜひIDEAの技術力をご活用ください。




