Dịch vụ triển khai kim loại tấm: Từ bản vẽ đến sản phẩm hoàn thiện
02/07/2025 Tin tức
Dịch vụ triển khai kim loại tấm: Từ bản vẽ đến sản phẩm hoàn thiện
Trong ngành chế tạo cơ khí hiện đại, gia công kim loại tấm (sheet metal fabrication) đã và đang trở thành một mắt xích quan trọng trong nhiều lĩnh vực: từ vỏ thiết bị công nghiệp, bảng điều khiển điện, đến kết cấu khung máy, linh kiện ô tô hay tủ điện. Tuy nhiên, giữa […]
Khám phá Robot Delta: Giải pháp tối ưu cho dây chuyền tự động hóa
02/07/2025 Tin tức
Khám phá Robot Delta: Giải pháp tối ưu cho dây chuyền tự động hóa
Robot Delta trong thời đài mà hiệu suất sản xuất không còn là lựa chọn mà là bắt buộc, doanh nghiệp sàn xuất đứng trước áp lực phải cải tiến liên tục – nhanh hơn, chính xác hơn và hiệu quả hơn. Nhiều doanh nghiệp không còn lựa chọn giữa đầu  “ đầu tư hay […]
JIG là gì? Vai trò không thể thiếu của JIG trong gia công cơ khí chính xác
02/07/2025 Tin tức
JIG là gì? Vai trò không thể thiếu của JIG trong gia công cơ khí chính xác
JIG trong lĩnh vực gia công cơ khí chế tạo hiện đại chính xác, nơi từng chi tiết nhỏ có thể ảnh hưởng đến hiệu quả vận hành cả một hệ thống, độ sai lệch dù chỉ vài phần nghìn milimet cũng có thể ảnh hưởng nghiệm trọng đến chất lượng nên yêu cầu về […]
Ai đã phát minh ra robot Công Nghiệp – Lịch Sử, Cột Mốc Quan Trọng Và Tương Lai Tự Động Hóa
21/06/2025 Tin tức
Ai đã phát minh ra robot Công Nghiệp – Lịch Sử, Cột Mốc Quan Trọng Và Tương Lai Tự Động Hóa
I. Giới thiệu về robot công nghiệp Trong thời đại công nghiệp hiện đại, robot công nghiệp đã trở thành trung tâm của các dây chuyền sản xuất thông minh. Không còn là hình ảnh viễn tưởng, chúng giờ đây là công cụ thực tiễn giúp doanh nghiệp tăng tốc sản xuất, giảm sai sót […]
Mã lỗi AGV phổ biến & cách xử lý không thể bỏ qua
18/04/2025 Tin tức
Mã lỗi AGV phổ biến & cách xử lý không thể bỏ qua
Mã lỗi AGV  là những thông báo quan trọng xuất hiện trong quá trình vận hành xe tự hành AGV. Việc hiểu rõ các mã lỗi này giúp người vận hành xử lý nhanh chóng, đảm bảo thiết bị hoạt động an toàn và hiệu quả. Dưới đây là bảng tổng hợp các mã lỗi, […]
Effective Strategies to Improve Machine Efficiency and Operational Performance
10/03/2025 Tin tức
Effective Strategies to Improve Machine Efficiency and Operational Performance
Learn essential strategies to enhance machine efficiency and reduce operational costs.
10 Lợi ích của việc thuê ngoài thiết kế và bản vẽ máy móc
01/03/2025 Tin tức
10 Lợi ích của việc thuê ngoài thiết kế và bản vẽ máy móc
Trong bối cảnh kinh doanh ngày càng cạnh tranh và thay đổi nhanh chóng, việc thuê ngoài thiết kế và bản vẽ máy móc đã trở thành một giải pháp chiến lược quan trọng cho nhiều doanh nghiệp. Bài viết này sẽ làm rõ những lợi ích mà doanh nghiệp có thể đạt được khi […]
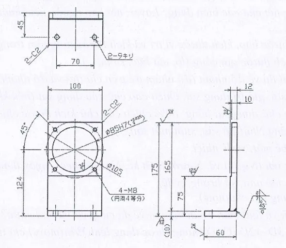
Cách đọc bản vẽ cơ khí của Nhật (JIS)
25/01/2025 Tin tức
Cách đọc bản vẽ cơ khí của Nhật (JIS)
Hiểu và đọc bản vẽ cơ khí của Nhật theo tiêu chuẩn JIS (Japanese Industrial Standards) luôn là thách thức đối với nhiều người. Để giúp bạn làm quen và nắm vững cách đọc các bản vẽ của Nhật (JIS) một cách dễ dàng và chính xác, bài viết này sẽ cung cấp hướng dẫn […]
Vận Dụng PokaYoke Trong Gia Công & Thiết Kế
20/12/2024 Tin tức
Vận Dụng PokaYoke Trong Gia Công & Thiết Kế
I. PokaYoke là gì? PokaYoke là một thuật ngữ xuất phát từ tiếng Nhật, mang ý nghĩa là phòng ngừa sai sót hay chống lỗi. Phương pháp này được phát triển bởi Shigeo Shingo, một nhà tư vấn quản lý, và được tích hợp vào hệ thống sản xuất của Toyota. Mục tiêu của Poka […]
Tổng Quan Về Barashi Bản Vẽ Chi Tiết (Phần 2/2)
17/12/2024 Tin tức
Tổng Quan Về Barashi Bản Vẽ Chi Tiết (Phần 2/2)
3.3. Các tiêu chuẩn cơ bản 3.3.1 Tiêu chuẩn về lỗ ren, lỗ tròn, lỗ bậc, lỗ côn Tài liệu thì tham chiếu với tài liệu “Tiêu chuẩn Kỹ thuật” về “Tiêu chuẩn ren”. 3.3.2 Tiêu chuẩn về các phụ kiện khác Tài liệu thì tham chiếu với tài liệu “Tiêu chuẩn Kỹ thuật” về […]