I. 図面バラシの概念
機械、設備、またはラインを得るためには、多くの工程を経なければなりません。まず、設計のアイデア ⇒ 組立図の設計(2Dまたは3D) ⇒ 図面バラシ (または図面バラシ詳細) ⇒ 加工 ⇒ 組み立て ⇒ 検査 ⇒ 梱包 ⇒ 使用開始。
IDEAの設計スタッフが図面バラシの仕事を行っています
1つの2Dまたは3Dの組立図から新しい図面枠に部品を分離し、すべての寸法、許容差、処理、記号などを完全に記載して、完成した詳細図面を作成する作業は、図面バラシ詳細と呼ばれています。この作業は後に図面バラシと略されます。
したがって、図面バラシの作業は非常に重要です。この作業は詳細設計と見なされます。図面バラシ後の詳細図面は加工に持って行かれます。詳細の品質、精度および作業能力は、詳細図面の精度に大きく依存します。例えば:
- 寸法を間違えると、組み立てられません。
- 不合理な許容差を設定すると、組み立てられない場合があります。
- 不合理な表面粗さの指定は、詳細の作業能力に影響を与え、この機械が生成する製品の欠陥や品質の低下を引き起こす可能性があります。
- その他の影響要因。
II. 図面バラシ前の基本知識
*詳細の材料: 詳細に使用される一般的な材料は、炭素鋼、SUS、アルミ合金(総称してアルミニウム材料)、POM、MCナイロン、PETなどのプラスチック材料といったものです。他にもいくつかの種類の材料があります。
III. 図面バラシの手順
3.1. 顧客の基準
何かの注文の作業を始めるときは、まずは基準をよく読み、顧客から提示された基準のすべての内容を理解する必要があります。
3.2. 図面枠(テンプレート)
図面バラシには必ず図面枠が必要です。図面バラシの前に図面枠がまだない場合は、プロジェクト管理者に図面枠の提供を依頼する必要があります。
SoliWorks、Inventor、Catia、Creoなどの3D設計ソフトウェアでは、図面枠や図面のスケールを変更すると自動的に変更され、比較的簡単で、属性も自動的に変更されます。
Autocad、Icad、BricsCadなどの2D設計ソフトウェアでは、図面やスケールを変更しても自動的に変更されません(プリインストールされたモジュールを除く)ので、自分で置き換える必要があります。一部の属性も自動的に変更されないため、特に注意が必要です。変更する際は、全ての属性を現在の図面枠に合わせて調整します。
3.3. 標準レイヤーの規定
各顧客は通常、レイヤーに独自の規定を持っているため、作業をする際には顧客が定めたレイヤーに従わなければなりません。通常、3D設計ソフトウェアでは、レイヤーがあらかじめ設定されており、図面バラシの際に自動的に変更され、顧客が提供したテンプレートを正しく使用するだけで済みます。一方、2D設計ソフトウェアでは、顧客のレイヤーの規定に従わなければなりません。
各注文におけるレイヤーの基準は顧客によって異なります。基本的には次のようなレイヤーの種類があります:
- 外周レイヤー:実線太線(out line)、厚さは通常0.25〜0.3mmです。
- 隠れ線レイヤー:点線(hidden line)、厚さは通常0.18〜0.2mmです。
- 中心線レイヤー:点線(center line)、厚さは通常0.13〜0.15mmです。
- 寸法レイヤー:通常は隠れ線と同じ厚さです。注釈テキストも通常このレイヤーを共用します。
- 細線:ねじの脚線や特定の部分の切断を示すために使用され、一般に中心線の厚さと同じです。
- 2点線:参照線に使用し、線の厚さは中心線と同じです。
- その他の種類のレイヤー。
注意:Icadソフトウェアの場合、線の厚さは大、中、小の3つの種類に分類されています。顧客から指示がない限り、通常は中厚と薄の2種類を使用します。中厚は外周に、残りは薄を使用します。
3.4. 投影角度、投影配置、寸法の基準
*投影角度: ベトナムの基準とは異なり、JISの基準による投影角度は第三の投影点から取ります。

*図面内の投影配置方法
優先順位は① から⑤ 通常、図面バラシおよび組立図では、投影は主に①から②(主投影①、平面投影、右側投影)に従って配置されます。上記の投影配置に従うルールの他にも、以下のような規則があります:
- 組立図で配置された方向に従う
- 加工に関するルールに従う

投影を図面上に配置する際には、場合に応じて適切なものを選択します。作成される図面は読みやすく、理解しやすく、混乱を避ける必要があります。
*基本的な細部の投影配置の規則
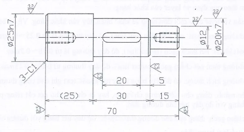
円柱状の詳細は横に配置し、加工部分を右側に配置します。(加工ルールに従った配置)

長い形状の詳細は横に配置されます。

*他の種類の詳細。
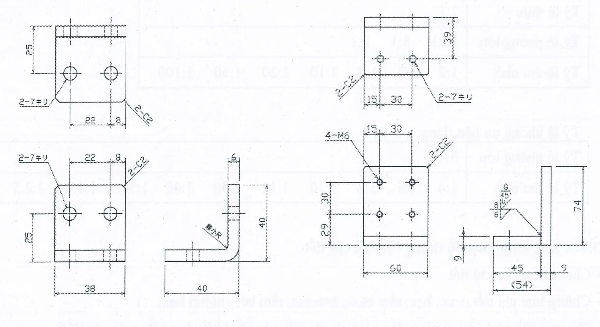
フレーム:実際の作業方向に従って配置します。下側は地面の部分です。

ブラケット、ベンドプレート

*基本的な基準
- ねじ穴、スムーズな穴、段差穴、コーン穴の基準。
- その他の付属品の基準
次のセクションでは、図面バラシの実施手順を詳しくガイドしますので、皆さんお楽しみにしてください。




